Bộ mã hóa GEL 2010 – Germany chính hãng
Bộ mã hóa GEL 2010 – Germany chính hãng . Bộ mã hóa quay lũy tiến chuyển đổi chuyển động quay thành chuyển động điện tín hiệu. Bộ mã hóa quay của Lenord + Bauer kết hợp ưu điểm các phương pháp của hệ thống đo từ tính mạnh mẽ và tiên tiến xây dựng cơ khí vative.
Họ đã chứng minh được mình trong nhiều ứng dụng đa dạng nhất trên toàn thế giới, ngay cả dưới điều kiện công nghiệp khắc nghiệt nhất. Và tất nhiên, những điều này bộ mã hóa quay hòa tan mang lại độ tin cậy cao nhất cùng với cuộc sống phục vụ lâu dài.

Đặc trưng
■ Độ phân giải cao lên tới 1024 xung
■ Tín hiệu tham chiếu
■ Trục đặc 10 x 20 mm
■ Vỏ thép không gỉ 1.4305
■ IP 67
■ EMC cao
■ Thích hợp cho mọi ứng dụng tiêu chuẩn và sử dụng thực tế ở cường độ cao
■ Chịu được va đập và rung lắc mạnh
■ Không bị ảnh hưởng bởi bụi bẩn hay bụi bẩn
■ Hoạt động nhiệt độ ổn định lâu dài
■ Hoạt động đầy đủ ngay cả khi có hiện tượng ngưng tụ: không ảnh hưởng bị ảnh hưởng bởi điểm sương
■ Công nghệ cảm biến từ trường không bị lão hóa
■ Cũng chống lại phương tiện truyền thông hung hãn
Lĩnh vực ứng dụng
■ Công nghiệp thực phẩm
■ Nhà máy ủ phân
■ Công nghệ ngoài khơi
■ Kỹ thuật cơ khí
■ Máy đóng gói
Dữ liệu kỹ thuật:
| Điện áp cung cấp | 5 V DC hoặc 10 đến 30 V DC |
|---|---|
| Phạm vi nhiệt độ | -20 °C đến +70 °C |
| Lớp bảo vệ | IP67 |
| Số xung | 1.024 |
| Có sẵn | (2, 4, 8, 16, 20, 32, 40, 50, 64, 80, 100, 128, 160, 200, 250, 256, 400, 500, 512, 800, 1000, 1024) |
| Kích thước mặt bích | 58mm |
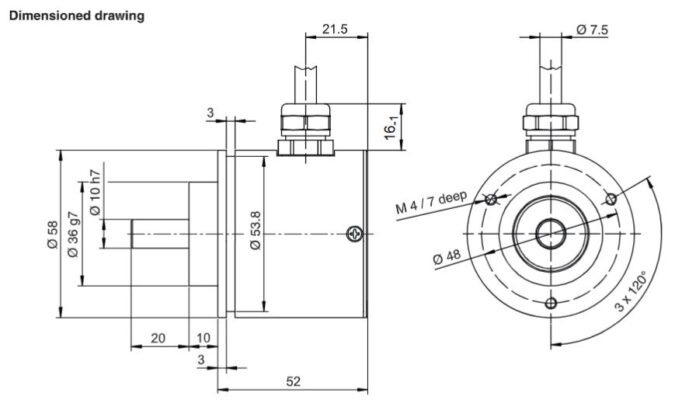
Bản vẽ :

CÔNG TY TNHH KOMELEK VIỆT NAM – Tự hào là nhà cung cấp chính hãng. Chúng tôi còn cung cấp những sản phẩm chính hãng khác như: máy đo độ dày huatec, Warner Electric, Vikan, VEEGEE Scientific, COMITRONIC-BTI, Jabsco, Balluff,….
Công ty TNHH Komelek Việt Nam:
Địa chỉ: L17-11, tòa nhà Vincom Center, phường Bến Nghé, quận 1, Tp.Hồ Chí Minh
Điện thoại: 0902 388 793 Ms. Lanh
Email: sale1@komelek.vn
Website: https://komelek.vn
Website: https://dynisco-pressure-sensors.com.vn/






